
The Vienna Rectifier is a pulse-width modulation rectifier, invented in 1993 by Johann W. Kolar.[1]
Features
The Vienna Rectifier provides the following features:
- Three-phase three-level three-switch PWM rectifier with controlled output voltage[2]
- Three-wire input, no connection to neutral
- Ohmic mains behaviour[3]
- Boost system (continuous input current)
- Unidirectional power flow[4]
- High power density
- Low conducted common-mode electro-magnetic interference (EMI) emissions
- Simple control to stabilize the neutral point potential[5]
- Low complexity, low realization effort [4]
- Low switching losses[6]
- Reliable behaviour (guaranteeing ohmic mains behaviour) under heavily unbalanced mains voltages and in case of mains failure[7]
Topology
The Vienna Rectifier is a unidirectional three-phase three-switch three-level Pulse-width modulation (PWM) rectifier. It can be seen as a three-phase diode bridge with an integrated boost converter.
Applications

The Vienna Rectifier is useful wherever six-switch converters are used for achieving sinusoidal mains current and controlled output voltage, when no energy feedback from the load into the mains is available. In practice, use of the Vienna Rectifier is advantageous when space is at a sufficient premium to justify the additional hardware cost. These include:
- Telecommunications power supplies.
- Uninterruptible power supplies.
- Input stages of AC-drive converter systems.
Figure 2 shows the top and bottom views of an air-cooled 10 kW-Vienna Rectifier (400 kHz PWM), with sinusoidal input current s and controlled output voltage. Dimensions are 250mm x 120mm x 40mm, resulting in a power density of 8.5 kW/dm3. The total weight of the converter is 2.1 kg [8]
Current and voltage waveforms

Figure 3 shows the system behaviour, calculated using the power-electronics circuit simulator.[9] Between the output voltage midpoint (0) and the mains midpoint (M) the common mode voltage u0M appears, as is characteristic in three-phase converter systems.
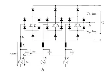
Current control and balance of the neutral point at the DC-side
It is possible to separately control the input current shape in each branch of the diode bridge by inserting a bidirectional switch into the node, as shown in Figure 3. The switch Ta controls the current by controlling the magnetization of the inductor. Switched on charges the inductor which drives the current through the bidirectional switch. Deactivating the switch increases causes the current to bypass the switch and flow through the freewheeling diodes Da+ and Da-. This results in a negative voltage across the inductor and drains it. This demonstrates the ability of the topology to control the current in phase with the mains voltage (Power-factor correction capability).
To generate a sinusoidal power input which is in phase with the voltage the average voltage space vector over a pulse-period must satisfy: For high switching frequencies or low inductivities we require () . The available voltage space vectors required for the input voltage are defined by the switching states and the direction of the phase currents. For example, for , i.e. for the phase-range of the period() the phase of the input current space vector is ). Fig. 4 shows the conduction states of the system, and from this we get the input space vectors shows in Fig. 5 [10]

References
- ↑ J. W. Kolar, „Dreiphasen-Dreipunkt-Pulsgleichrichter“, filed Dec. 23, 1993, File No.: AT2612/93, European Patent Appl.: EP 94 120 245.9-1242 entitled “Vorrichtung und Verfahren zur Umformung von Drehstrom in Gleichstrom”.
- ↑ J. W. Kolar, F. C. Zach, “A Novel Three-Phase Utility Interface Minimizing Line Current Harmonics of High-Power Telecommunications Rectifier Modules”, Record of the 16th IEEE International Telecommunications Energy Conference, Vancouver, Canada, Oct. 30 - Nov. 3, pp. 367-374 (1994) doi:10.1109/INTLEC.1994.396642.
- ↑ Miniböck, Johann; Kolar, Johann W. (February 2005). "Novel Concept for Mains Voltage Proportional Input Current Shaping of a VIENNA Rectifier Eliminating Controller Multipliers" (PDF). IEEE Transactions on Industrial Electronics. IEEE. 52 (1): 162–170. doi:10.1109/TIE.2004.841096. S2CID 28930599. Retrieved 9 October 2023.
- 1 2 J. W. Kolar, H. Ertl, F. C. Zach, “Design and Experimental Investigation of a Three-Phase High Power Density High Efficiency Unity Power Factor PWM (Vienna) Rectifier Employing a Novel Integrated Power Semiconductor Module”, Proceedings of the 11th IEEE Applied Power Electronics Conference, San Jose (CA), USA, March 3–7, Vol.2, pp.514-523 (1996) doi:10.1109/APEC.1996.500491.
- ↑ J. W. Kolar, U. Drofenik, F. C. Zach, “Space Vector Based Analysis of the Variation and Control of the Neutral Point Potential of Hysteresis Current Controlled Three-Phase/Switch/Level PWM Rectifier Systems”, Proceedings of the International Conference on Power Electronics and Drive Systems, Singapore, Feb.21-24, Vol.1, pp.22-33 (1995) doi:10.1109/PEDS.1995.404952.
- ↑ Drofenik, Dr. Uwe (22 May 2009). "How to Design a 10kW Three-Phase AC/DC Interface Step by Step". www.gecko-research.com. Gecko-Research GmbH. Retrieved 28 January 2021.
- ↑ J. W. Kolar, U. Drofenik, F. C. Zach, “Current Handling Capability of the Neutral Point of a Three-Phase/Switch/Level Boost-Type PWM (Vienna) Rectifier”, Proceedings of the 27th IEEE Power Electronics Specialists Conference, Baveno, Italy, June 24–27, Vol.II, pp.1329-1336 (1996) doi:10.1109/PESC.1996.548754.
- ↑ S. D. Round, P. Karutz, M. L. Heldwein, J. W. Kolar, “Towards a 30 kW/liter, Three-Phase Unity Power Factor Rectifier”, Proceedings of the 4th Power Conversion Conference (PCC'07), Nagoya, Japan, April 2–5, CD-ROM, ISBN 1-4244-0844-X, (2007).
- ↑ www.gecko-research.com
- ↑ iPES (Interactive Power Electronics Seminar): Java-Applet Animation of the Vienna Rectifier at www.ipes.ee.ethz.ch