A transparent disc sitting on a wooden table
A disc of Yttralox on a table

Yttralox is a transparent ceramic consisting of yttria (Y2O3) containing approximately 10% thorium dioxide (ThO2).[1][2] It was one of the first transparent ceramics produced,[3] and was invented in 1966 by Richard C. Anderson at the General Electric Research Laboratory while sintering mixtures of rare earth minerals.

Properties

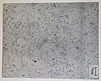
Sintering of pure Yttria leads to discontinuous grain growth and pores (left), while Yttralox has a more uniform grain size and no pores (right).

Yttralox is a solid solution of thorium dioxide in yttria.[4] The thorium dioxide additive affects the growth of grains during densification, leading to improved optical transparency. Uncontrolled grain growth allows a few grains to grow larger than the others, trapping pores inside them. The additive increases the grain boundary hardness more than the internal grain hardness.[5] This causes porosity to remain on grain boundaries rather than becoming trapped inside grains, allowing them to be eliminated later in the sintering process. This greatly improves the material's optical transparency, because porosity causes light scattering.[2] Porosities as low as one part per million were reported.[6] The resulting grain size was in the range 10–50 μm.[4]

Yttralox was marketed as being "transparent as glass", has a melting point twice as high, and transmits frequencies in the near infrared band as well as visible light.[4][7][8] However, it has little plasticity at high temperatures and low thermal conductivity, giving it a thermal shock performance little better than common glass.[5]

Uses

Commercialization was limited because Yttralox required high sintering temperatures of 2000–2200°C. Yttralox was proposed for use in lamp envelopes and high-temperature windows and lenses.[1] It was investigated for use as a low-loss window material for lasers,[9] for example in conjunction with a laser Doppler velocimeter for ramjet research.[5] It was also investigated for use with infrared equipment in missiles.[2] Neodymium oxide–doped Yttralox was used as a proof of concept for laser gain in a polycrystalline oxide ceramic, but was not commercialized due to low efficiency.[1]

Yttralox's competing materials were an yttria containing lanthanum oxide manufactured by GTE, and a pure yttria material manufactured by Raytheon.[2]

History

A man with white hair wearing a yellow collared shirt holding a small transparent in front of his right eye
Richard C. Anderson, the inventor of Yttralox, holding an Yttralox disc

Yttralox was invented in 1966 by Richard C. Anderson at the General Electric Research Laboratory while sintering mixtures of rare earth minerals.[3][4] The initial objective of the research was to develop ionic conductors for fuel cells using yttria–zirconium dioxide materials. Although the zirconium dioxide-rich versions were of more interest for ionic conductors, the yttria-rich versions unexpectedly produced transparent samples.[10] Further research established that other oxides of Group 4 elements, thorium dioxide and hafnium dioxide, were also effective at producing transparent yttria, and the thorium dioxide system became the most extensively studied.[5][11][10] Further work at GE was performed by Paul J. Jorgensen, Joseph H. Rosolowski, and Douglas St. Pierre.[8] Fabrication of Yttralox was reported by Greskovich and Woods.[12]

As of 1982, Yttralox was no longer being produced.[5]

References

  1. 1 2 3 Kochawattana, Sujarinee; Stevenson, Adam; Lee, Sang-Ho; Ramirez, Mariola; Gopalan, Venkatraman; Dumm, John; Castillo, Vida K.; Quarles, Gregory J.; Messing, Gary L. (2008). "Sintering and grain growth in SiO2 doped Nd:YAG". Journal of the European Ceramic Society. 28 (7): 1527–1534. doi:10.1016/j.jeurceramsoc.2007.12.006.
  2. 1 2 3 4 Hogan, Patrick; Stefanik, Todd; Willingham, Charles; Gentilman, Richard (2004-05-19). "Transparent Yttria for IR Windows and Domes - Past and Present". Defense Technical Information Center. DoD Electromagnetic Windows Symposium: 2–3.
  3. 1 2 "Richard Charles 'Dick' Anderson". Missoulian. 2017-09-07. Retrieved 2017-09-14.
  4. 1 2 3 4 "GE has transparent ceramic". Chemical & Engineering News Archive. 44 (43): 38. 1966-10-17. doi:10.1021/cen-v044n043.p038a. ISSN 0009-2347.
  5. 1 2 3 4 5 Buckley, Paeker L. (August 1982). "A Study of the Use of Transparent Yttrium Oxide for Ramjet Combustion Research". Defense Technical Information Center, Air Force Systems Command. pp. 6, 18, 23. Retrieved 2017-09-16.
  6. Burke, J. E.; Rosolowski, J. H. (September 1973). "Technical Information Series: Sintering". Defense Technical Information Center. General Electric: 11. Retrieved 2017-09-16.
  7. "A space age ceramic material transparent as glass, but which can withstand temperatures twice as high, was announced today by General Electric scientists" (Press release). Peter Van Avery, General Electric Research and Development Center Public Information. October 10, 1966.
  8. 1 2 Anderson, Richard C. & John Barker (January–February 1969). "A unique optical ceramic". Optical Spectra (Optical Materials Issue).
  9. Harrington, James A. (November 1975). "Low Loss Window Materials for Chemical Lasers". Defense Technical Information Center. Defense Advanced Research Projects Agency. Archived from the original on June 2, 2018.
  10. 1 2 Rhodes, W. H. (1995-02-08). "Phase Chemistry in the Development of Transparent Polycrystalline Oxides". In Alper, Allen M. (ed.). Phase Diagrams in Advanced Ceramics. Academic Press. p. 8. ISBN 9780080538723.
  11. Anderson, Richard C. (1970). "Thoria and Yttria". In Alper, Allen M. (ed.). High Temperature Oxides: Oxides of Rare Earths, Titanium, Zirconium, Hafnium, Niobium and Tantalum. Academic Press. pp. 30–32. ISBN 9781483271392.
  12. Greskovich, C. and Woods, K.N., "Fabrication of Transparent ThO2-doped Y2O3", Bull. Amer. Ceram. Soc., Vol. 52, p. 473 (1973)
  • Media related to Yttralox at Wikimedia Commons
This article is issued from Wikipedia. The text is licensed under Creative Commons - Attribution - Sharealike. Additional terms may apply for the media files.